Два буфера с отметками XHT-946 и XHT-950. Обе совместимы с импортными моделями ADCLK946 и adclk950, которые имеют более низкую интегральную дробление, становятся идеальной национальной альтернативой импортной модели, которая помогает клиенту сократить время выпуска продукции на рынке и снизить стоимость ее разработки.
XHT – 946 XHT – 950
(P2P with A** K946) (P2P with A** K950)
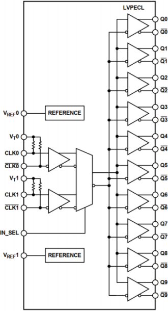
XHT-946 и XHT-950 раздвигали буферы для сверхбыстрых часов с использованием кремниевого Германия (SiGe), разработанного специально для высокоскоростного применения, которое требует низкой вибрации. Средн за ввод набира оснаща, дифференциальн, Один 00 Ω на с отвод от средн точк термина сопротивлен. Входная сторона принимает ввод LVPECL, CML, 3.3VCMOS (Один конец), а также VVDS, LVDS и LVPECL в связи с постоянным потоком. Штырь VREF используется для создания смещения входных данных коммуникационных связей. XHT-946946 обладает шестью логическими (ECL) выходными диском с полными амплитудами эмиттера, а XHT-950 имеет 10 логических (ECL) экспортных дисков с 10 полностью колебательными эмиттерами. XHT-950 обеспечивает два выборочных дифференциальных входного ввода через ин_sel, что повышает эффективность использования.
Характеристики продукции:
Более низкая интегральная встряска случайным образом удовлетворяет спрос на низкокачественные высокоскоростные схемы;
Совместимость с импортной техникой-трубопроводом позволяет непосредственно поддерживать замену оригинального оборудования и дизайн новой продукции;
Удовлетворя армейск использова потребн, работ температурн диапазон чурд – 55 ℃ – + 125 ℃;
Приложение:
Низкокачественное распределение часов;
Восстановление часов и сигналов данных;
Преобразование уровня;
Беспроводная связь;
Кабельная связь;
Медицинское и промышленное изображение;
Айти и высокопроизводительные приборы.






