Радар/Применение головок самонаведения
Точная способность поражения средне – и короткодействующих ракет является ключевой возможностью, которой должна обладать современная армия. Для ракет характеристики головки самонаведения являются важным техническим фактором при оценке ракеты. Чтобы достичь более быстрой способности сканирования и слежения, радарные системы переходят от традиционного МСА к АЭСА. С развитием фазированной антенной системы и быстрым прогрессом полупроводниковой технологии, активная фазированная антенная система стала неизбежным выбором.
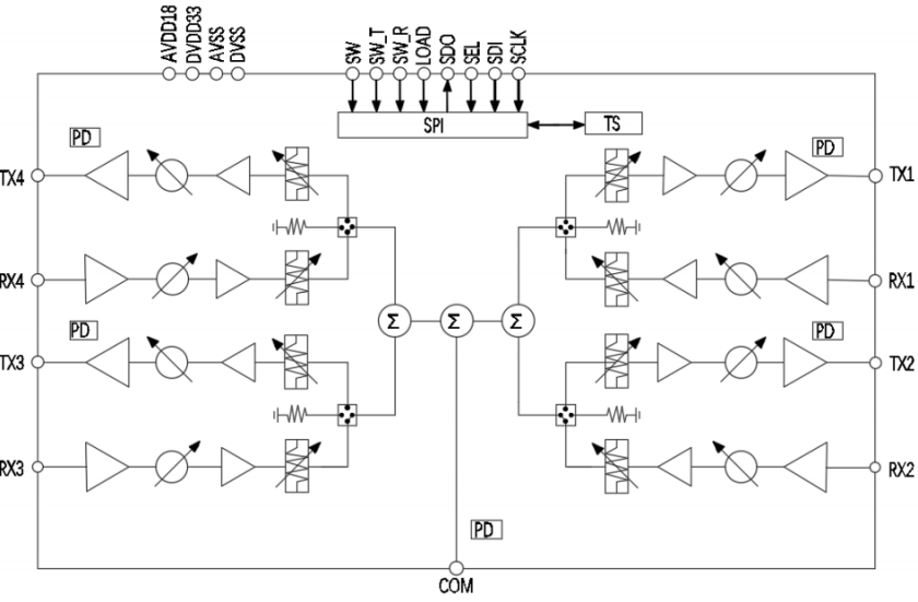
PROTIS ELECTRONIC LIMITED Тесное отслеживание направления развития технологии наведения, основанной на технологии низкозатратных кремниевых основ CMOS, в реальном времени реализуется продукция Ku/Ka 4T4R TDD SOC, которая в реальном времени реализует продукцию ku/ka 4t4r TDD soc, которая точно регулирует дорогостоящие болезненные места и эффективно способствует созданию и распространению технологических приложений.
Описание чипа
Ku/Ka 4T4R TDD SOC Блок-схема

Примечание: одновременно реализуем SIP (SOC+MMIC) в четырёхканальной TDD, которая помогает клиентам достичь более высоких производительности, таких как более высокий выход энергии и более низкий коэффициент шума. Пожалуйста, просмотрите список.







