По мере того, как требования к производительности сложных цифровых систем обработки данных растут, быстрое увеличение использования высокопроизводительных цифровых чипов, таких как FPGA, MCU, DSP, ASIC. С одной стороны, в настоящее время требуется дальнейшее повышение точности, эффективности и динамических реакций на напряжение на путях питания по сравнению с предыдущими разработками управления энергией, с другой стороны, принимая во внимание фактические условия, при которых цифровые системы часто используют высокое напряжение и низкое напряжение, в то время как архитектура POL стала идеальным решением для решения проблемы электроснабжения высокопроизводительных цифровых чипов. В связи с новаторской интеграцией 6 модулей DC/DC и 5 LDO PROTIS ELECTRONIC LIMITED, в сочетании с лидирующей конструкцией инжининга, была введена продукция POL по управлению энергией XHT91139A, экспортирующая многопутное напряжение.
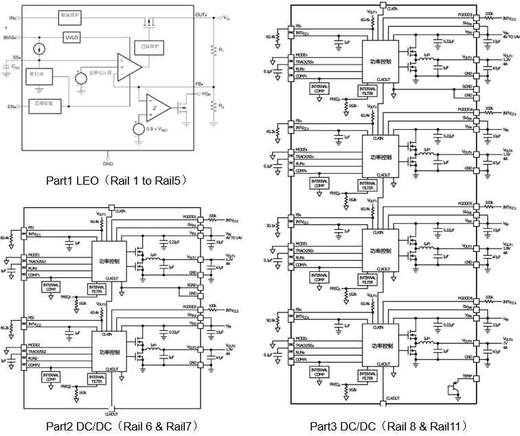
Блок-схема
Примечание: Part1 даёт только одну раил, которая точно такая же, как Rail1 — Rail5.
Условия работы
Характеристика продукции
Единовременно поддерживается до 6 выходов DC/DC и 5 LDO, Один чип удовлетворяет потребности в питании для сложных цифровых систем или гибридных систем, уменьшая количество моделей и упрощение конструкций питания.
Поддержка вывода большого тока:
LDO: 3A/Rail (от Rail1 до Rail5);
DC/DC: 4A/Rail (однодорожный режим);
8A (Rail6+Rail7, оба потока);
16A (Rail8+Rail9+ 10+Rail11)
Поддержка защитных функций, таких как пво, мягкий запуск и замыкающий переход;
Формат BGA multimate (BGA209) поддерживает установку почти полной нагрузки на обороте PCB;
Рабоч температур 55 ℃ – 125 ℃, удовлетвор GJB7400N1 качеств.
Классическое применение
Коммуникация, сети, промышленные устройства, такие как оборудование для центров обработки данных, распределенная электрическая система;
Медицинские диагностические устройства, такие как цифровая эндоскопия;
Тестирование и отладка, такие как аккумуляторное электроснабжение и другие портативные инструменты;
Автомобили ADAS, такие как лазерный радар и визуальные системы.






